Irrigation Design for Landscape & Recreation

We are Irrigation Consulting.

Select a Topic to Begin

Rainwater Harvesting Tank Sizing & Computer Modeling

Computer Modeling for Alternative Water

Studies and analyses on rainfall data, soils, plant evapotranspiration, climate change, and economics all rely on Computer Models. They are created to understand complex systems, not predict their outcomes. Irrigation Consulting provides its clients comprehensive reports using our own proprietary models to understand how their landscape and water resources consumption will respond to a variety of design scenarios. From many scenarios, an optimum can be found based on the clients design criteria and project goals.

The most common of computer modeling reports performed by Irrigation Consulting is Alternative Water Harvesting. Alternative Water, in this case, is basically any water other than domestic potable water: roof runoff, site stormwater, greywater, groundwater, and mechanical condensate, to name a few. Climate modeling for irrigation provides our clients the full range (not just the average) of possible outcomes. We size tanks based on sophisticated irrigation “smart” controls that distribute water based on real-time climate conditions each day, and not an automatic average or peak condition. The savings on water consumed and harvesting tank sizes are substantial.

The elegance of Irrigation Consulting’s computer modeling is that it is not one-single program locked into doing one routine analysis for all jobs. Irrigation Consulting is not bound by a single-output program:

The system modeling possibilities are limitless!

We Have Provided the Following Computer Models

RAINWATER HARVESTING TANK SIZING

SOIL MOISTURE

PLANT HEALTH/DEATH RISK

COST-BENEFIT ANALYSES

“SMART” IRRIGATION DEMAND

SYNTHETIC FIELD HEAT LEVEL

LEED CALCULATIONS

MULTI-VARIABLE ANALYSES

SYSTEM OPTIMIZATION

Irrigation System Design & Construction Administration

Irrigation Consulting is a client advocate for all aspects of irrigation. We are an independent irrigation and water resources engineering firm that does not represent any proprietary product, contractor, or manufacturer. As Professional Engineers, we are held to professional codes of ethics: giving us a distinct advantage in the industry. Irrigation Consulting always defends its clients best interest in maintaining valuable landscape: we advocate to ensure the proper water source is found, adequate pressure and flow is available, design our systems for water conservation, and verify the proper product and installation methods are used. We not only aim to provide design services for our clients, but also to educate them on their irrigation system given our specialized expertise. The following is a general outline of the services we provide “from start to finish”.

Project Timeline

Synthetic Field Watering Systems Design


Synthetic turf watering is a unique application for irrigation that requires experience and expertise that Irrigation Consulting can offer. While these surfaces do not have the growing and maintenance needs of natural turfgrass, synthetic turf does require its own set of Best Management Practices for playability and long-term sustainability. The Synthetic Turf Council recommends periodic watering via irrigation sprinklers to mitigate heat (through evaporative cooling), sanitation, and overall playability. These recommendations are pertinent to either long-fiber infill systems (such as for football and soccer) and short-fiber systems (such as for field hockey).

Irrigation Consulting has designed dozens of synthetic turf watering systems for a variety of surfaces and sports. Field hockey surfaces are very specific with watering requirements as the speed of play, the roll of the ball, and player safety are directly related to water applied before and at halftime of games. Based on Irrigation Consulting’s experience with the growing trend of synthetic turf field hockey surface installations for NCAA programs, we believe colleges and universities acknowledge these systems give their teams a decided advantage.

This webpage shows sample pictures taken of the recently completed Brown University Field Hockey surface. A booster pump from domestic supply (designed by Irrigation Consulting) was required for the pressure needed for large pop-up water cannons to reach across the playing surface. Watering takes place before and at halftime of all games manually. Irrigation for synthetic turf watering systems requires sound engineering and planning judgment as they require high flow and high pressure (see pictures). Contact Irrigation Consulting today for your next synthetic turf athletic field project.

Recent Synthetic Field Projects

Brown University (Providence, RI)

Middlebury College (Middlebury, VT)

University of Pennsylvania (Philadelphia, PA)

Northeastern University (Boston, MA)

University of Massachusetts Lowell (Lowell, MA)

Battery Park City (New York, NY)

Various High Schools and Track Infields

LEED Certified Project Documentation

Leadership in Energy and Environmental Design (LEED)

While we do not guarantee credit award (as each project is different), Irrigation Consulting has NEVER LOST a USGBC design review for any amount of Water Efficient Landscape points attempted. As our staff has LEED AP BD+C and Green Associates, it gives us a distinct advantage in the landscape and recreation design world. We have written successful Credit Interpretation Rulings and our dozens of submissions have helped shaped USGBC’s revisions for LEED 2009.

Let us show you how you can maximize all Water Efficient Landscape Credits in all LEED Modules (NC, Homes, etc.)

You do not need rainwater harvesting to get the first 2 points for water efficient landscaping under LEED-NC 2009. You do not need to be entirely off domestic water to earn all 4 points for water efficient landscaping under LEED-NC 2009.

Partial List of LEED Projects

MIT Sloan School, Cambridge, MA, White Elephant Estates, Nantucket, MA Harvard Business School, Cambridge, MA 175 Wyman Street, Waltham, MA, Concord Hospital, Concord, NH Massachusetts General Hospital, Boston, MA Clark Art Institute, Williamstown, MA, 100 Binney Street, Cambridge, MA, Andlinger Center, Princeton University, NJ Various US Embassies Around the World

Landscape & Recreation


Water is our most precious resource. Not only is water paramount to our very existence, it also provides sanitation, grows our food supply, and helps generate our electrical power. Landscapes and recreational facilities are the fabric holding our urban world together: they enhance our quality of life at home and work, attract new business, and provide us the space to exercise our bodies and refresh our minds. Maintaining our landscapes as they were intended is predicated on thoughtful and technically sound irrigation design and engineering. Given its ever-increasing importance in our changing world, Irrigation Consulting strives to conserve water and the energy to deliver it to the maximum extent practicable.

Engineering Design Services

With our collective education and professional backgrounds, the Irrigation Consulting staff offers a wide range of services encompassing the fields of Design, Engineering, and Science. In commercial design, we “bridge the gap” between the multiple disciplines involved in a project. Irrigation Consulting provides a complete circle of technical design services to assist and support our commercial clients.

Landscaping

Whether you have a prominent lawn, planter bed, or athletic field, Irrigation Consulting provides the irrigation system design documents and construction administration to ensure that your landscape stays green, while preserving water and your bottom line.

Services Include:

Irrigation Design Drawings & Specifications

Design-Build Performance Specifications & Details

Water Conservation & Irrigation Efficiency

System Evaluation & Recommendations

Horticulture

Irrigation is essentially an “insurance policy” against drought damage for landscapes. However, it is not just water quantity that is critical. Our Horticulture and Agriculture staff understands water chemistry on plant appearance, microclimate on demand, and aeration on root zone growth.

Services Include:

Irrigation Design Drawings & Specifications

Design-Build Performance Specifications & Details

Water Conservation & Irrigation Efficiency

System Evaluation & Recommendations

Hydrology

Irrigation Consulting not only provides expert design of Water Distribution Systems, but also Water Resource Systems and Infrastructure. We design and assess the effects, risks, and cost-benefits of Irrigation Sources from Groundwater, Surface Water, Stormwater, Greywater, HVAC, and other Effluent.

Services Include:

Local Climate Analysis for Irrigation Consumption

Irrigation Water Resource Master Planning

Groundwater Well Design and Analysis

Surface Water Diversion Design

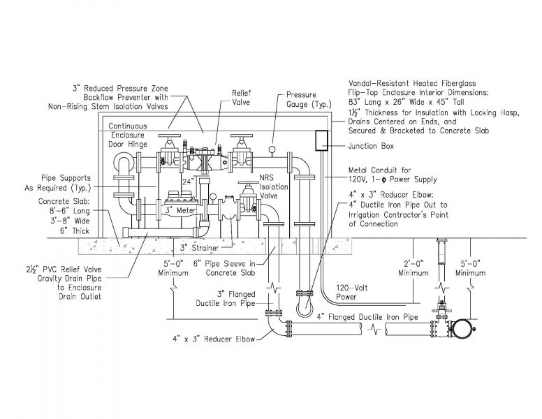
Civil Engineering

Our Engineering staff can provide an array of Civil Engineering design and coordination services relative to Irrigation Water Resources and Infrastructure. We have extensive permitting experience around the country.

Services Include:

Irrigation Pond & Tank Design

Municipal Water Service Design

Mechanical Engineering

Pumps are the heart and pipes are the circulation of an irrigation system. Sustainable irrigation is predicated on systems receiving adequate pressure and flow. Our mechanical systems are designed for optimum irrigation performance and long life cycles.

Services Include:

Pump Design, Specification, and Punch Listing

Hydraulic and Pipe Engineering

Filtration Design and Specification

Synthetic Turf Evaporative Cooling Systems

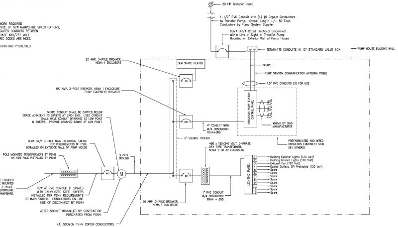
Electrical Engineering

Sustainable automatic irrigation requires electricity. Our staff provides the electrical requirements for low-voltage irrigation and high-voltage pumping and controls required to give our clients an optimally-performing system. We work with Engineers and Utilities to ensure our clients needs are met.

Services Include:

System Power Requirements & Utility Coordination

Low-Voltage and Power Conductor Wire Sizing

Control System Wiring Diagrams

Lightning Protection

Systems Planning

Irrigation involves integration with not only the visual design elements of a project, but also the hidden infrastructure. We design our systems to be integrated with building alarm systems, shutdown due to abnormal conditions, and start based on available water, schedule, or user-on-demand.

Services Include:

Automation and Monitoring

Large-Scale Central Irrigation Control Design

Flow and Volume Data Acquisition

Fail-Safes and Alarm Notification

Architecture

Irrigation Consulting assists a large architectural clientele in fine exterior and interior irrigation systems for buildings. Space is critical in any architectural project: we help our clients plan functional and sustainable irrigation systems in a given area, or in new small-scale structures we can design.

Services Include:

Green Roof Irrigation

Interior Building Irrigation

Pump Building & Small Scale Structure Design for Building Permits